宏大FZ型機座磁粉制動器采用機座支撐,分水冷卻和自然冷卻散熱,輸出轉矩最小為6N.m,最大可達到20000N.m,它是一些紙張、電線、薄膜材料放卷、張力控制不可缺少的傳動設備,通過磁粉傳遞扭矩,并且通過張力控制器可進行自由控制、調節、實現恒張力。FZ型磁粉制動器經常被用于傳動機械的測功加載和制動。
張力收放卷、糾偏裝置控制系統
張力控制系統可以對紙張、膠片、薄膜、電線電纜、橡膠等材料在收放卷時的材料的提供該性能張力控制,對材料卷繞過程中兩邊不整齊提供糾偏功能。



FZJ6~FZYJ400額定電壓為DC24V, FZYJ630~FZYJ5000額定電壓為DC36V, FZYJ10000~FZYJ20000額定電壓為DC70V
|
規定
型號
|
FZJ
6
|
FZJ
12
|
FZJ
25
|
FZJ
50
|
FZYJ
100
|
FZYJ
200
|
FZYJ
400
|
FZYJ
630
|
FZYJ
1000
|
FZYJ
2000
|
FZYJ
5000
|
FZYJ
10000
|
FZYJ
20000
|
|
額定轉矩 N.m
|
6
|
12
|
25
|
50
|
100
|
200
|
400
|
630
|
1000
|
2000
|
5000
|
10000
|
20000
|
|
滑差功率 KW
|
0.06
|
0.1
|
.014
|
0.3
|
3
|
4
|
5
|
15
|
20
|
25
|
50
|
65
|
90
|
|
最大電流 A
|
0.53
|
0.81
|
0.94
|
1.24
|
1.90
|
2.20
|
2.50
|
2.75
|
2.85
|
3.20
|
3.50
|
3.95
|
4.65
|
|
最高轉速 rpm
|
1500
|
1500
|
1500
|
1500
|
1500
|
1000
|
750
|
750
|
500
|
500
|
400
|
300
|
300
|
|
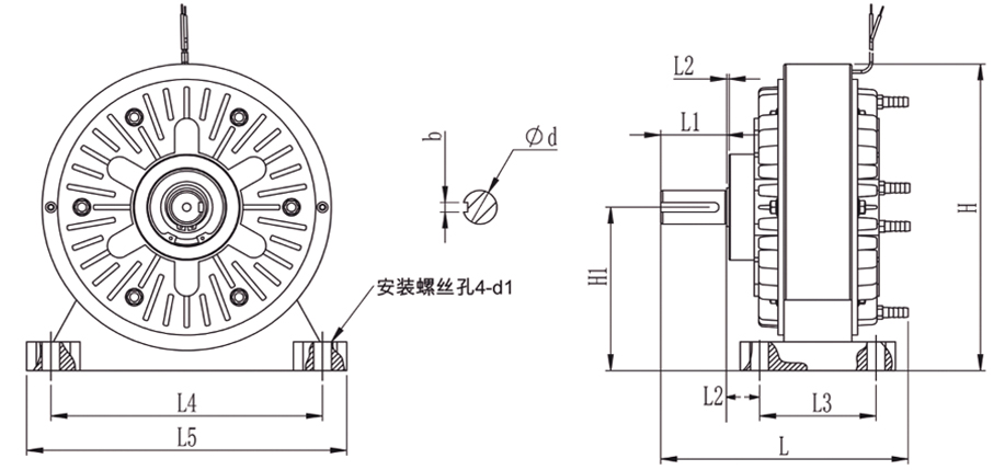
外
形
尺
寸
|
H
|
140
|
166
|
196
|
240
|
284
|
329
|
400
|
441
|
523
|
620
|
830
|
1205
|
1620
|
|
L
|
108
|
163
|
148
|
180
|
249
|
260
|
315
|
380
|
420
|
490
|
570
|
650
|
950
|
|
軸
聯
接
尺
寸
|
d(h7)
|
12
|
14
|
20
|
25
|
30
|
35
|
45
|
60
|
70
|
80
|
90
|
120
|
160
|
|
b(p7)
|
4
|
5
|
6
|
8
|
8
|
10
|
14
|
18
|
20
|
22
|
25
|
32
|
40
|
|
L1
|
25
|
25
|
36
|
42
|
58
|
58
|
82
|
105
|
105
|
130
|
140
|
160
|
180
|
|
L2
|
10
|
7
|
5
|
11
|
11
|
10
|
14
|
20
|
35
|
56
|
13
|
34
|
45
|
|
止
口
支
撐
尺
寸
|
L3
|
50
|
60
|
70
|
80
|
100
|
120
|
130
|
150
|
160
|
230
|
320
|
360
|
480
|
|
L4
|
120
|
120
|
150
|
180
|
250
|
280
|
330
|
410
|
470
|
580
|
600
|
900
|
950
|
|
L5
|
140
|
150
|
180
|
210
|
290
|
328
|
360
|
476
|
540
|
660
|
700
|
1030
|
1100
|
|
H1
|
75
|
90
|
110
|
130
|
155
|
180
|
215
|
240
|
280
|
330
|
430
|
600
|
650
|
|
d1
|
8
|
10
|
12
|
12
|
12
|
15
|
15
|
19
|
19
|
24
|
24
|
28
|
35
|
注:FZJ6~FZJ50為自然冷卻,FZYJ100~FZYJ400為單水冷冷卻,FZYJ1000~FZYJ20000為雙水冷冷卻。
|