 | | 產品名稱:ZA-Y型空心軸磁粉制動器產品簡介:ZA-Y型空心軸、外殼旋轉磁粉制動器額定轉矩6~200N.m,最高轉速1500,,額定電壓DC24V,冷卻方式為自然冷卻。該機型采用旋轉外圍以提高散熱性能。 | 咨詢熱線:0513-88924598   | | |
|
產品詳情: |
|
ZA-Y型外殼旋轉空心軸磁粉制動器其散熱方式為自然冷卻,旋轉外圍以提高散熱性能,提高了熱容量的機型。產品的特性如下:可輕松較大范圍的控制,線性度良好;能達到連續滑動運轉效果以及獲得穩定的扭矩;采用進口軸承,環保無噪音,運轉相當的安靜平穩;采用耐熱性高的進口磁粉,使用壽命長,并且熱容量比較大理想構造與設計,并使其達到平順的連續及驅動狀態。
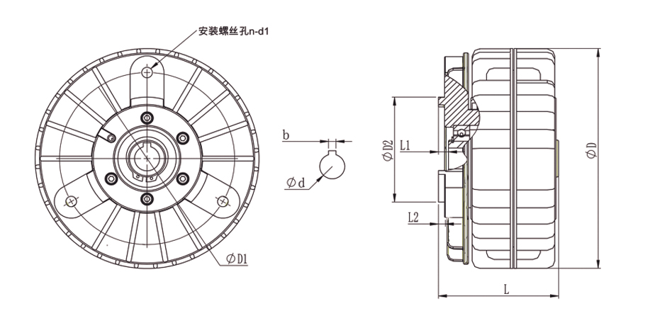
外形尺寸圖
規格、外形尺寸(mm)
|
規定
型號
|
ZA
6Y
|
ZA
12Y
|
ZA
25Y
|
ZA
50Y
|
ZA
100Y
|
ZA
200Y
|
|
額定轉矩 N.m
|
6
|
12
|
25
|
50
|
100
|
200
|
|
滑差功率 W
|
130
|
320
|
450
|
700
|
900
|
1500
|
|
最大電流 A
|
0.7
|
0.9
|
1.1
|
1.4
|
2.0
|
2.5
|
|
最高轉速 rpm
|
1500
|
1500
|
1500
|
1500
|
1500
|
1500
|
|
外
形
尺
寸
|
D
|
128
|
160
|
180
|
220
|
275
|
335
|
|
L
|
68
|
88
|
98
|
115
|
136
|
160
|
|
軸
聯
接
尺
寸
|
d (H7)
|
12
|
18
|
20
|
30
|
35
|
45
|
|
b (F8)
|
4
|
5
|
6
|
8(7)
|
10
|
14
|
|
L1
|
4
|
2
|
8
|
5
|
10
|
8
|
|
L2
|
4
|
5
|
5
|
5
|
5
|
6
|
|
止
口
支
撐
尺
寸
|
D1
|
80
|
100
|
140
|
150
|
150
|
240
|
|
D2(g7)
|
70
|
74
|
100
|
110
|
110
|
160
|
|
n-d1
深度
|
3-
M5x10
|
3-
M6x12
|
3-
M10x18
|
3-
M10x18
|
6-
M10x20
|
6-
M10x20
|
注:ZA-Y磁粉制動器冷卻方式為冷卻方式
產品實物圖
|
| 【刷新頁面】【加入收藏】【打印此文】 【關閉窗口】 |
| 上一篇:FZK型空心軸磁粉制動器 下一篇:ZX型空心軸超薄磁粉制動器 |